产品简介
80系列高精度无刷电机是专为用户打造的高精度直流无刷电机。转子采用永磁铁,因此实现了80无刷电机薄型与大功率。精密的霍尔角度为精确调速提供了必要条件。
产品特点
| 驱动电压:DC24V,AC220V 基座号:80 功率:30W-60W 减速机速比:3-200 低温升、低噪音、低振动 体积小、寿命长、维护成本低 |
参数规格
规格 | 电机 | M60H34 | M60L34 | M120H34 | M120L34 |
减速箱 | 4-G□ | 4-G□ | 4-G□ | 4-G□ | |
额定转速 | 3000 | ||||
最高转速 | 3500 | ||||
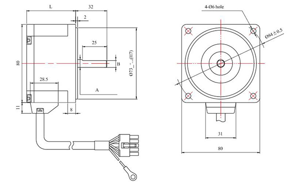
法兰尺寸 | 80*80 | ||||
机身长度L | 55 | 60 | 70 | 60 | |
额定功率 | 60 | 60 | 120 | 120 | |
输入电压 | AC220 | DC24 | AC220 | DC24 | |
相数 | 3 | ||||
额定力矩 | 0.2 | 0.2 | 0.4 | 0.4 | |
最大力矩 | 0.4 | 0.5 | 0.8 | 0.8 | |
额定电流 | 0.35 | 3.2 | 0.68 | 6.25 | |
最大电流 | 0.7 | 6.4 | 1.36 | 12.5 | |
电压容许波动范围 | ±10% | ||||
保护等级 | IP40 | ||||
使用温度 | 0+40°C | ||||
存贮温度 | -25-+75°C | ||||
工作湿度 | 85%RH或以下(无结霜) | ||||
机械尺寸

力矩曲线图

