产品简介
110步进电机,采用一能机电最新设计专利,解决了传统110步进电机低速振动大,共振区明显高速扭矩小,启动频率慢等特点。
产品特点
| 步矩角:1.8° 基座号:110 静转矩:11.2-30Nm 电流:5.5-8.0A 适配驱动器:MC8H |
参数规格
110步进电机型号 | 步矩角 | 静转矩 | 相电流 | 相电感 | 电阻 |
110H2P1255A4 | 1.8 | 11.2 | 5.5 | 12 | 0.9 |
110H2P2168A4 | 1.8 | 21 | 6.8 | 11 | 0.8 |
110H2P3080A4 | 1.8 | 30 | 8.0 | 16 | 0.67 |
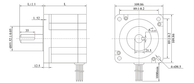
机械尺寸

110电机型号 | 机身长 | 轴长 | 轴径 | 线序A+ | 线序A- | 线序B+ | 线序B- |
110H2P1255A4 | 99 | 54 | 19 | 红 | 白 | 黄 | 绿 |
110H2P2168A4 | 150 | 54 | 19 | 红 | 白 | 黄 | 绿 |
110H2P3080A4 | 201 | 54 | 19 | 红 | 白 | 黄 | 绿 |
力矩曲线图

