产品简介
86步进电机,采用一能机电最新设计专利,解决了传统86步进电机低速振动大,共振区明显高速扭矩小,启动频率慢等特点。
产品特点
| 步矩角:1.8° 基座号:85 静转矩:3.4-10Nm 电流:6.0-6.5A 适配驱动器:MR7,MR7A |
参数规格
85步进电机型号 | 步矩角 | 静转矩 | 相电流 | 相电感 | 电阻 |
85H2P6860A4 | 1.8 | 3.4 | 6.0 | 1.7 | 0.35 |
85H2P8060A4 | 1.8 | 4.5 | 6.0 | 3.2 | 0.35 |
85H2P9760A4 | 1.8 | 7.0 | 6.0 | 4.0 | 0.5 |
85H2P11860A4 | 1.8 | 8.5 | 6.0 | 5.0 | 0.62 |
85H2P15160A4 | 1.8 | 10 | 6.5 | 6.0 | 0.55 |
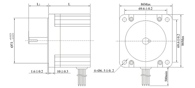
机械尺寸

85电机型号 | 机身长 | 轴长 | 轴径 | 线序A+ | 线序A- | 线序B+ | 线序B- |
85H2P6860A4 | 68 | 32 | 9.5 | 黑 | 绿 | 红 | 蓝 |
85H2P8060A4 | 80 | 32 | 12.7 | 棕 | 橙 | 红 | 黄 |
85H2P9760A4 | 97 | 32 | 12.7 | 黑 | 绿 | 红 | 蓝 |
85H2P11860A4 | 118 | 32 | 12.7 | 黑 | 绿 | 红 | 蓝 |
85H2P11860A4 | 118 | 32 | 14 | 黑 | 绿 | 红 | 蓝 |
85H2P15160A4 | 151 | 37 | 14 | 黑 | 绿 | 红 | 蓝 |
力矩曲线图

