产品简介
130步进电机,采用一能机电最新设计专利,解决了传统130电机低速振动大,共振区明显高速扭矩小,启动频率慢等特点。
产品特点
| 步矩角:1.2° 基座号:130 静转矩:20-50Nm 电流:6.8A 适配驱动器:3MC8H |
参数规格
130步进电机型号 | 步矩角 | 静转矩 | 相电流 | 相电感 | 电阻 |
130H3P2068A3 | 1.2 | 20 | 6.8 | 7.8 | 0.62 |
130H3P2868A3 | 1.2 | 28 | 6.8 | 10.8 | 0.79 |
130H3P3568A3 | 1.2 | 35 | 6.8 | 14.2 | 0.97 |
130H3P5068A3 | 1.2 | 50 | 6.8 | 18.9 | 1.12 |
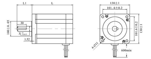
机械尺寸

110电机型号 | 机身长 | 轴长 | 轴径 | 线序U | 线序V | 线序W |
130H3P2068A3 | 168 | 48 | 24 | 黄 | 绿 | 蓝 |
130H3P2868A3 | 203 | 48 | 24 | 黄 | 绿 | 蓝 |
130H3P3568A3 | 238 | 48 | 24 | 黄 | 绿 | 蓝 |
130H3P5068A3 | 285 | 48 | 24 | 黄 | 绿 | 蓝 |
力矩曲线图

